Cầu dao dạng khối 4 pha 630A LS
Aptomat MCCB 4P ABN804c 630A 45kA LS (3 pha 4 cực)
Thông số kỹ thuật:
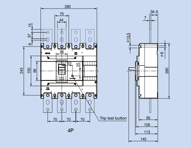
Kích thước lắp đặt:
W210 x L243 x H113mm
Bảng chọn đồng thanh cái cho Aptomat MCCB theo tiêu chuẩn IEC 60439-1
Frame size MCCB : 800AF
Dòng định mức : AT=630A => lựa chọn thanh cái 40x10mm
Bảng chọn dây dẫn cho Aptomat MCCB
Dòng định mức : AT=630A

Thông số kỹ thuật:
Mã sản phẩm: ABN804c 630A
Số cực: 4 ( 3 pha 4 cực)
Frame size: 800 AF
Kích thước mm: 210 x 243 x 113
Dòng định mức: 630A
Dòng cắt ngắn mạch (icu): 45kA
Xuất xứ: LS Hàn Quốc
Bảo hành: 12 tháng